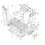
Volvo S60 V60 V70 V40 S80 B4164T Valf (Silindir Kapak Boru Boşaltma)

Stok kodu: 31330405FO

FOMOCO 31330405FO Volvo Yedek Parça

Havalede %5 indirim fırsatı

Yedek parça ürünlerinde kaçırılmayacak fırsatlar

Volvo Yedek Parça

213,76

7 People watching this product now!
  • Mağazadan teslim

İstanbul Pendik'teki mağazamızdan

gün içinde

  • Kurye ile teslimat

İstanbul içi motorlu veya arabalı

1-2 saat

  • Kargo ile teslimat

Yurtiçi kargo ile tüm Türkiyeye adresinize teslim

1-2 gün

  • Distribütör garantili ürünler
  • 14 gün içinde iade

Ödeme yöntemleri:

Açıklama

1.6 Ecoboost, Volvo B4164T Motor Kodlu 1.6T model araçlar için üretilmiştir.  
Ürün fomoco marka Orjinal üründür.

Özellikler

Ürün Bilgileri

Marka

Kullanıcı Yorumları